相信有不少的人都和睿佳小編我有同樣的疑問,什么是旋流式水冷卻器,它又有什么獨特的地方呢
?下面就讓我們一起來見證它的獨特之處吧!
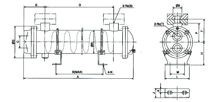
1、它是由螺旋導流板引導殼程流體在換熱器內呈螺旋形連續(xù)流動,有效克服了傳統(tǒng)折流產生的換熱
盲區(qū),換熱效率高,壓力損失小,而且材質是采用電鍍鋅板,表面浮沉均勻而致密,抗腐蝕能力良好。
2、傳熱管采用外表面扎制翅片的紫銅管,產品體質小,重量輕,換熱面積大。


3、管程有兩流程和四流程,殼程導流板對流量適應范圍廣,品種多樣,可滿足各種工況需求。
4、產品適用于壓鑄機、吹瓶機、注塑機、油壓機等各類液壓設備,且抗污垢能力強。
5、傳熱管束中心的芯管與外周旋流板配合形成理想的連續(xù)螺旋流道,避免流體誘導振動,結構可靠
耐用,由精密模具沖壓而成,尺寸精度高,與傳熱管、管筒配合緊密,有效防止流體短路。
如果對旋流式水冷卻器還有什么疑問,可登錄我們的官網chemlight.cn或者致撥打我們服務熱線:
400-875-7507,睿佳客服隨時等候您的來電。